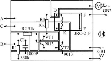
通常利用水塔向用户自来水龙头供水,而水塔则需要利用水泵向贮水箱不断补充水,水多了会溢出,少了供水又会中断,这就需要水位自动控制装置。 小水塔水位自动控制电路 见图13。它由水位传感电极、控制电路、电动机(小离心水泵用)和电源等组成。控制电路由VT1、VT2和继电器K等组成。当水箱缺水时,水面低于B点,水位传感电极A—B、B—C之间由于没有被水淹没而开路,VT1、VT2截止,继电器呈释放状态,继电器衔铁F与常闭触点D接触,接通水泵电源GB2,小离心水泵电动机启动,向贮水箱供水。当水位上升至A点,水位传感电极A—B之间被水淹没,产生偏置电流使得VT1、VT2导通,继电器吸合,常闭触点断开,小离心水泵停止供水。此时,继电器衔铁F与常开触点E相触,电源通过继电器接通的常开触点F-E以及C—B之间能微弱导电的水,继续产生维持VT1、VT2导通所需的偏置电流,继电器吸合。自控电路直到水位降至B点以下时,C—B之间开路,VT1、VT2截止,继电器释放,常闭触点接通,小离心水泵开始供水。如此周而复始,完成水位自动控制作用。

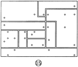
小水塔水位自控电路线路板 见图14、15(焊接面),尺寸45×33mm。线路板可以用刀刻除敷铜板上双线之间的铜箔。

以上介绍了一组自动控制的模拟实验电路,它虽然很简单,却孕育了自动控制技术的基本原理。希望青少年读者能够掌握自控电路设计思路,举一反三,为你们高层次的小制作、小发明提供电子技术手段,预祝成功!
|